Назад

Оригинальные каталоги

zoom-in zoom-out enlarge shrink circle-right circle-left file-text2 info cart
Номер Наименование Цена
[Линзы] [Линзы] Линзы Нет в продаже
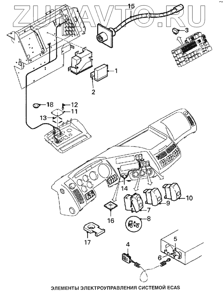
1 1314935 Электронный блок Нет в продаже
2 0272563 Гайка с фланцем М6 Нет в продаже
3 0669313 Предохранитель (I=10А) Нет в продаже
4 1337230 Разъем Нет в продаже
5 0379476 Держатель разъема Нет в продаже
6 1295125 Болт М6х12 Нет в продаже
7 1339011 Переключатель 0-I Нет в продаже
9 1311361 Переключатель Нет в продаже
10 1311361 Переключатель Нет в продаже
11 0393240 Крышка Нет в продаже
12 1345048 Заклепка Нет в продаже
13 1337742 Прокладка Нет в продаже
14 1366005 Жгут проводки кабины Нет в продаже
16 0118085 Кронштейн крепления 32х25 Нет в продаже
17 0649841 Кронштейн 20х14 Нет в продаже
1
2
3
4
5
6
7
9
10
11
12
13
14
16
17
100%
Содержащиеся в справочниках-каталогах запасные части и детали носят исключительно информационный характер